This page needs JavaScript activated to work. Tocatoare laterală cu cutie exterioară pentru tractor, 130cm - arbore cardanic cu unghi larg
Transport gratuit în mai mult de 24 de țări europene

Program: 09:00–16:30. Livrare gratuită în interiorul UE cu transport standard. Livrare estimată în 20–25 de zile de la confirmarea comenzii – notificare telefonică la expediere.

Chuck Norris îți oferă 5%REDUCEREde la al doilea produs VEZI DETALII

Tocatoare laterală cu cutie exterioară pentru tractor, 130cm - arbore cardanic cu unghi larg

4.6

1322 recenzii

Disponibil
COD. GIRAFFA130PTO
EAN 8057724862416
Vizualizați toate detaliile.
TOTAL
2.850,00TVA inclus
Transport gratuit!

VIDEO
Giraffa
Giraffa

DETALII

Tocatoare laterală cu lățimea de tăiere de 1300 mm, 452kg, cu cutie internă pentru tractoare de livadă și terasamente DELEKS® GIRAFFA-130 Concasor cu arbore cardanic cu unghi larg de 1800 mm



APLICARE

GIRAFFA-130  Tocător  diguri cu ciocane serie medie.

Ideal pentru lucrări municipale, margini rutiere, șanțuri, diguri și teren înclinat în general.

Specificații pentru tractoare pe roți sau pe șenile, putere medie 40-70 CP, precum New Holland TK4000, T3030, T4F, John Deere, Landini Mistral, Deutz-Fahr, Lamborghini Ego, McCormick, Same Solaris sau Orchard etc. pentru lucrări pe plat sau în pantă.

Deplasarea și înclinarea hidraulică (2 pistoane 4 conducte hidraulice), arbore cardanic cu unghi larg CE de 1800mm.

Conformitate directivei CE mașini. Garanție 2 ani.


 

AVANTAJE

Din formă este înclinată, curăță marginile drumurilor și digurile; în afara formei și pe verticală, reduce tufișurile și gardurile vii; în podgorie și în livadă, datorită multiplicatorului plasat intern, acesta poate reintra complet în forma tractorului, permițându-i să funcționeze în spații înguste, orizontal și intre rânduri.

Multiplicator cu roată liberă, 3 ani garanție.

Rulmenți cu rotor SKF.

Atac de trei puncte cu sistem Anti-șoc.

Ciocane groase, concepute pentru a pulveriza iarbă și lăstari de viță de vie și plantații de măslini, arbuști, etc. până la 4-5 cm cm în diametru.

Cilindru spate mărit, cu racleta de noroi.

Rotor cu echilibrare electronică.

Cilindrul din spate și schiuri laterale vă permit să reglați înălțimea de tăiere.

Reglarea exterioară a curelelor și dispozitivul de tensionare reglabil.

Arbore cardanic cu unghi larg CE inclus.

  

  




CARACTERISTICI

Caracteristici Unità metrici Unità US
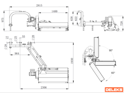
Lățimea de tăiere 1300.0 mm 4.26 ft
Lățimea totală 1806.0 mm 5.92 ft
Inaltime de taiere min / max 10.0 - 45.0 mm 0.4 - 1.77 in
Greutatea 452.0 kg 996.5 lb
Înălțime totală 975.0 mm 3.20 ft
Puterea tractoarelor 40 - 70 Cp 40 - 70 Hp
Atac de 3 puncte Cat. 1-2 (ø 19.0-22.0mm / 25.0-28.0mm) Cat. 1-2 (ø 19.0-22.0mm / 25.0-28.0mm)
Сapotă înălţime 400.0 mm 15.75 in
Distanța dintre cele 2 puncte inferioare 820.0 - 964.0 mm 32.5 - 38.0 in
Număr de ciocane 22 22
Diametrul maxim mărunțire 40.0 - 50.0 mm 1.57 - 1.97 in
Lungimea totală 1380.0 mm (închis) 4.52 ft (closed)
Distanta multiplicator de la sol 550.0 mm 21.65 in
Grosimea cadrului 4.0 mm 0.16 in
Grosimea laturilor cadrului 8.0 mm 0.31 in
Grosimea sănii laterale 6.0 mm 0.23 in
Transmisie: Tip V-Curele V-Curele
Transmisie: PTO 540 r/min 540 r/min
Transmisie: Direcția de rotație Partea dreapta Partea dreapta
Transmisie: Roată liberă
Transmisie: Rotația rotor 2134 rpm 2134 rpm
Transmisie: Uleiul din multiplicator Da / SAE 120 - ISO 72925 Da / SAE 120 - ISO 72925
Transmisie: numărul de centuri 4 4
Transmisie: Dimensiunile curelelor 17x1270 17x1270
Rotor: Diametru 127.0 mm 5.0 in
Rotor: Rulmenți 1308 1308
Rotor: echilibrare Electronic Electronic
Rotor: Grosimea plăcii 10.0 mm 0.4 in
Ciocane: Greutate 820.0 g 29.0 oz
Ciocan: gaură ø 15.0 mm 0.6 in
Ciocan: lățimea bazei 82.0 mm 3.23 in
Ciocan:Lățimea capului 45.0 mm 1.77 in
Ciocan:Extensie diagonală 3.74 in
Сiocan:Extensie diagonală 95.0 mm
Cilindru spate: diametru 140.0 mm 5.51 in
Cilindru spate: grosimea tablei 6.0 mm 0.23 in
Cilindru spate: tipul și mărimea rulmenților UCFL206 UCFL206
Deplasarea și Dimensiuni Vedeți imagini Vedeți imagini
ø Cilindru hidraulic A . 3.15 - 1.37 in
ø Cilindru hidraulic A. 80.0 - 35.0 mm
ø Cilindru hidraulic B. 60.0 - 30.0 mm 2.36 - 1.18 in
Presiunea de descărcare min./max 120 - 150 bar 120 - 150 bar
Flux optim de ulei 18 - 22 l/min 18 - 22 l/min
Furtunuri hidraulice WP 400 Bar, 1/2" Agri Standard WP 400 Bar, 1/2" Agri Standard
Arbore cardanic CE 5x1800 mm cu unghi larg CE 5x1800 mm wide angle
Capotă lungime 680.0 mm 26.67 in
Mărimea ambalajului pentru expediere 1650.0*950.0*950.0 mm 5.40*3.17*3.17 ft

Fișe tehnice

Shell Spirax S2 A 80W-90: Specifications   Descărcați PDF
DETALII
CARACTERISTICI
Fișe tehnice

DETALII

ÎNCHIDE

Tocatoare laterală cu lățimea de tăiere de 1300 mm, 452kg, cu cutie internă pentru tractoare de livadă și terasamente DELEKS® GIRAFFA-130 Concasor cu arbore cardanic cu unghi larg de 1800 mm



APLICARE

GIRAFFA-130  Tocător  diguri cu ciocane serie medie.

Ideal pentru lucrări municipale, margini rutiere, șanțuri, diguri și teren înclinat în general.

Specificații pentru tractoare pe roți sau pe șenile, putere medie 40-70 CP, precum New Holland TK4000, T3030, T4F, John Deere, Landini Mistral, Deutz-Fahr, Lamborghini Ego, McCormick, Same Solaris sau Orchard etc. pentru lucrări pe plat sau în pantă.

Deplasarea și înclinarea hidraulică (2 pistoane 4 conducte hidraulice), arbore cardanic cu unghi larg CE de 1800mm.

Conformitate directivei CE mașini. Garanție 2 ani.


 

AVANTAJE

Din formă este înclinată, curăță marginile drumurilor și digurile; în afara formei și pe verticală, reduce tufișurile și gardurile vii; în podgorie și în livadă, datorită multiplicatorului plasat intern, acesta poate reintra complet în forma tractorului, permițându-i să funcționeze în spații înguste, orizontal și intre rânduri.

Multiplicator cu roată liberă, 3 ani garanție.

Rulmenți cu rotor SKF.

Atac de trei puncte cu sistem Anti-șoc.

Ciocane groase, concepute pentru a pulveriza iarbă și lăstari de viță de vie și plantații de măslini, arbuști, etc. până la 4-5 cm cm în diametru.

Cilindru spate mărit, cu racleta de noroi.

Rotor cu echilibrare electronică.

Cilindrul din spate și schiuri laterale vă permit să reglați înălțimea de tăiere.

Reglarea exterioară a curelelor și dispozitivul de tensionare reglabil.

Arbore cardanic cu unghi larg CE inclus.

  

  




CARACTERISTICI

ÎNCHIDE
Caracteristici Unità metrici Unità US
Lățimea de tăiere 1300.0 mm 4.26 ft
Lățimea totală 1806.0 mm 5.92 ft
Inaltime de taiere min / max 10.0 - 45.0 mm 0.4 - 1.77 in
Greutatea 452.0 kg 996.5 lb
Înălțime totală 975.0 mm 3.20 ft
Puterea tractoarelor 40 - 70 Cp 40 - 70 Hp
Atac de 3 puncte Cat. 1-2 (ø 19.0-22.0mm / 25.0-28.0mm) Cat. 1-2 (ø 19.0-22.0mm / 25.0-28.0mm)
Сapotă înălţime 400.0 mm 15.75 in
Distanța dintre cele 2 puncte inferioare 820.0 - 964.0 mm 32.5 - 38.0 in
Număr de ciocane 22 22
Diametrul maxim mărunțire 40.0 - 50.0 mm 1.57 - 1.97 in
Lungimea totală 1380.0 mm (închis) 4.52 ft (closed)
Distanta multiplicator de la sol 550.0 mm 21.65 in
Grosimea cadrului 4.0 mm 0.16 in
Grosimea laturilor cadrului 8.0 mm 0.31 in
Grosimea sănii laterale 6.0 mm 0.23 in
Transmisie: Tip V-Curele V-Curele
Transmisie: PTO 540 r/min 540 r/min
Transmisie: Direcția de rotație Partea dreapta Partea dreapta
Transmisie: Roată liberă
Transmisie: Rotația rotor 2134 rpm 2134 rpm
Transmisie: Uleiul din multiplicator Da / SAE 120 - ISO 72925 Da / SAE 120 - ISO 72925
Transmisie: numărul de centuri 4 4
Transmisie: Dimensiunile curelelor 17x1270 17x1270
Rotor: Diametru 127.0 mm 5.0 in
Rotor: Rulmenți 1308 1308
Rotor: echilibrare Electronic Electronic
Rotor: Grosimea plăcii 10.0 mm 0.4 in
Ciocane: Greutate 820.0 g 29.0 oz
Ciocan: gaură ø 15.0 mm 0.6 in
Ciocan: lățimea bazei 82.0 mm 3.23 in
Ciocan:Lățimea capului 45.0 mm 1.77 in
Ciocan:Extensie diagonală 3.74 in
Сiocan:Extensie diagonală 95.0 mm
Cilindru spate: diametru 140.0 mm 5.51 in
Cilindru spate: grosimea tablei 6.0 mm 0.23 in
Cilindru spate: tipul și mărimea rulmenților UCFL206 UCFL206
Deplasarea și Dimensiuni Vedeți imagini Vedeți imagini
ø Cilindru hidraulic A . 3.15 - 1.37 in
ø Cilindru hidraulic A. 80.0 - 35.0 mm
ø Cilindru hidraulic B. 60.0 - 30.0 mm 2.36 - 1.18 in
Presiunea de descărcare min./max 120 - 150 bar 120 - 150 bar
Flux optim de ulei 18 - 22 l/min 18 - 22 l/min
Furtunuri hidraulice WP 400 Bar, 1/2" Agri Standard WP 400 Bar, 1/2" Agri Standard
Arbore cardanic CE 5x1800 mm cu unghi larg CE 5x1800 mm wide angle
Capotă lungime 680.0 mm 26.67 in
Mărimea ambalajului pentru expediere 1650.0*950.0*950.0 mm 5.40*3.17*3.17 ft

Fișe tehnice

ÎNCHIDE
Shell Spirax S2 A 80W-90: Specifications   Descărcați PDF

Opțional

10 Ciocane T
Preț special opțional -12,60 126,00TVA inclus 113,40TVA inclus
Disponibil

TIGRE/PUMA/RINO/LEO/INTERFILA (2021>)

4 curele ALCE / CERVO / GRIZZLY / GIRAFFA
Preț special opțional -10,80 108,00TVA inclus 97,20TVA inclus
Disponibil

ALCE / GRIZZLY

10 Ciocane T
Preț special opțional -12,60 126,00TVA inclus 113,40TVA inclus
Disponibil

TIGRE/PUMA/RINO/LEO/INTERFILA (2021>)

4 curele ALCE / CERVO / GRIZZLY / GIRAFFA
Preț special opțional -10,80 108,00TVA inclus 97,20TVA inclus
Disponibil

ALCE / GRIZZLY

Recenzii

Ce spun clienții noștri despre noi