DELEKS S.r.l.
Via Industriale, 23
25028 Verolanuova (BS) Italy
Tel. 030 6585725
Mail info@deleks.com
Lun - Ven: 9.00-13.00 / 14.00-18.00
Снегоотвал 260 см - одобренный с соединением для Merlo - мод. SSH-04-2.6-MERLO
ДЕТАЛИ
Снежный отвал одобренный 2,6 метра DELEKS со специальным креплением для Merlo - 3 независимых секции - гидравлическая ориентация
ОПИСАНИЕ
Снежный отвал Deleks SSH-04 2.6-MERLO работает на телескопических погрузчиках MERLO, либо же поставляется с плоской крепёжной плитой. Наклон снегоуборочного плуга осуществляется гидравлически.В соответствии с директивой ЕС по машинам. Гарантия 2 года.
ПРЕИМУЩЕСТВА И ОСОБЕННОСТИ
Противоударная система с 6 амортизаторами.
Гидравлическая система состоит из двух гидравлических цилиндров и из двух гидравлических шлангов длиной 1,6 метров.
3 резиновых лезвия-скребка.
Очень простые монтаж и эксплуатация.
Боковые колёсики, позволяющие настраивать высоту снегоуборочного плуга.
Съёмное крепление MERLO, заменяемое 3-х точечным креплением, плоской плитой(1200*600.0 мм), EURO креплением или другим креплением для телескопических погрузчиков (MANITOU, JCB).
Габаритные огни.
Опорные ножки.
Идеальное приспособление к дорожному покрытию.
примечание: пункт назначения должен быть доступен для грузовика. Клиент должен быть оснащен погрузчиком для разгрузки поддона.
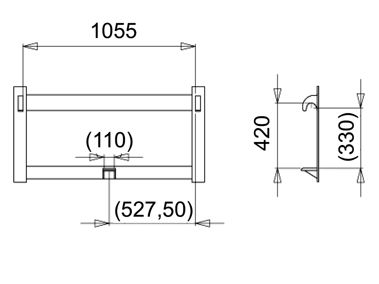
ХАРАКТЕРИСТИКИ
| Особенность | Unitàметрики |
|---|---|
| Вес | 470.0 kg |
| Габаритная высота | 880.0 mm |
| Габаритная длина | 900.0 mm |
| Размер крепления | Смотреть фотографии |
| Давление разгрузки мин. / макс. | 110 - 150 бар |
| Мин./Макс поток масла | 18 - 22 л/мин |
| Kреплениe | MERLO |
| Наклон (левый/правый) | 25° |
| Колебание | +/- 4° |
| Высота лезвия | 880.0 mm |
| Толщина боковой части | 7.0 mm |
| Амортизаторы | 6 |
| Режущий скребок | Железное или резиновое |
| Высота режущего скребка | 200.0mm / 180.0mm |
| Толщина режущего скребка | 20.0mm / 55.0mm |
| Лезвие: Количество частей | 3 |
| Расстояние между болтами и лезвием | 175.0 mm |
| Габаритные огни | √ |
| Съёмные салазки | Колеса |
| Рабочая ширина(под наклоном) | 2400.0 mm |
| Подходит для | MERLO |
| Гидравлические шланги | 2 x 1600.0 мм / коннекторы 1.2" AGRI, WP 400 бар |
| Габаритная ширина | 2600.0 mm |
| Толщина конструкции | 4.0 mm |
| Гидроцилиндр(ы) | 73.0/36.0 mm |
| Упаковачный размер | 2600*1000*1000 mm |
ДЕТАЛИ
ЗАКРЫТЬСнежный отвал одобренный 2,6 метра DELEKS со специальным креплением для Merlo - 3 независимых секции - гидравлическая ориентация
ОПИСАНИЕ
Снежный отвал Deleks SSH-04 2.6-MERLO работает на телескопических погрузчиках MERLO, либо же поставляется с плоской крепёжной плитой. Наклон снегоуборочного плуга осуществляется гидравлически.В соответствии с директивой ЕС по машинам. Гарантия 2 года.
ПРЕИМУЩЕСТВА И ОСОБЕННОСТИ
Противоударная система с 6 амортизаторами.
Гидравлическая система состоит из двух гидравлических цилиндров и из двух гидравлических шлангов длиной 1,6 метров.
3 резиновых лезвия-скребка.
Очень простые монтаж и эксплуатация.
Боковые колёсики, позволяющие настраивать высоту снегоуборочного плуга.
Съёмное крепление MERLO, заменяемое 3-х точечным креплением, плоской плитой(1200*600.0 мм), EURO креплением или другим креплением для телескопических погрузчиков (MANITOU, JCB).
Габаритные огни.
Опорные ножки.
Идеальное приспособление к дорожному покрытию.
примечание: пункт назначения должен быть доступен для грузовика. Клиент должен быть оснащен погрузчиком для разгрузки поддона.
ХАРАКТЕРИСТИКИ
ЗАКРЫТЬ| Особенность | Unitàметрики |
|---|---|
| Вес | 470.0 kg |
| Габаритная высота | 880.0 mm |
| Габаритная длина | 900.0 mm |
| Размер крепления | Смотреть фотографии |
| Давление разгрузки мин. / макс. | 110 - 150 бар |
| Мин./Макс поток масла | 18 - 22 л/мин |
| Kреплениe | MERLO |
| Наклон (левый/правый) | 25° |
| Колебание | +/- 4° |
| Высота лезвия | 880.0 mm |
| Толщина боковой части | 7.0 mm |
| Амортизаторы | 6 |
| Режущий скребок | Железное или резиновое |
| Высота режущего скребка | 200.0mm / 180.0mm |
| Толщина режущего скребка | 20.0mm / 55.0mm |
| Лезвие: Количество частей | 3 |
| Расстояние между болтами и лезвием | 175.0 mm |
| Габаритные огни | √ |
| Съёмные салазки | Колеса |
| Рабочая ширина(под наклоном) | 2400.0 mm |
| Подходит для | MERLO |
| Гидравлические шланги | 2 x 1600.0 мм / коннекторы 1.2" AGRI, WP 400 бар |
| Габаритная ширина | 2600.0 mm |
| Толщина конструкции | 4.0 mm |
| Гидроцилиндр(ы) | 73.0/36.0 mm |
| Упаковачный размер | 2600*1000*1000 mm |
Техническое описание
ЗАКРЫТЬ| Drawings | Скачать PDF |
Français
Deutsch
Română
English