This page needs JavaScript activated to work. Plug deszăpezire 300cm - cu conexiune pentru Merlo - mod. SSH-04-3.0 - MERLO
Transport gratuit în mai mult de 24 de țări europene

Plug deszăpezire 300cm - cu conexiune pentru Merlo - mod. SSH-04-3.0 - MERLO

Nu este disponibil Anunță-mă
COD. SSH0430ME - EAN 8053470231803
4.584,00TVA inclus
Transport gratuit!
Loading...
4.584,00TVA inclus

DETALII

Lamă deszăpezire omologată DELEKS de 3.0m / 510kg, cu atac specific pentru MERLO - 3 sectoare independente - orientare hidraulică


APLICARE

Lamă de deszăpezire SSH-04-3.0-MERLO aprobată cu atacul pentru Merlo. Sau oferim o placă netedă, pentru personalizarea ulterioară. 2 tuburi hidraulice de 1,6 m, 2 picioare de parcare, pereche de lămpi de degajare. Respectă directiva CE privind mașinile. Garanție 2 ani.

 

AVANTAJE

Sistem antisoc cu 6 amortizoare pentru funcționarea în condiții de siguranță maximă.

3 elemente independente de răzuire în fier (sau cauciuc).

Orientare hidraulică compusă din 2 pistoane hidraulice.

Sistem de oscilație laterală care permite o aderență perfectă la suprafața drumului.

Extreme simplitate de asamblare și utilizare.

Cuplu roți reglabile  facilitează lucrul, reducând presiunea pe muchia de tăiere, în special pe suprafețele mobile cum ar fi parcarea cu pietriș.

Atacul este detașabil și înlocuibil cu o placă netedă 1200 * 600,0 mm sau atac cu 3 puncte de prindere, sau EURO.

Aprobată pentru utilizarea pe șosea.

 

CARACTERISTICI

Caracteristici Unità metrici Unità US
Greutatea 500.0 kg 1125.0 lb
Înălțime totală 880.0 mm 2.90 ft
Adâncime totală 900.0 mm 2.95 ft
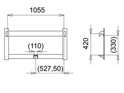
Dimensiuni atac Vedeți imagini See pictures
Presiunea de descărcare min./max 110 - 150 bar 110 - 150 bar
Flux optim de ulei 18 - 22 l/min 18 - 22 l/min
Atac MERLO MERLO
înclinare 25° 25°
Fluctuație */- 4° */- 4°
Înălțimea lamei 880.0 mm 2.90 ft
Grosimea armăturilor laterale 7.0 mm 0.28 in
Amortizoarele 6 6
Muchie de tăiere Oțel sau cauciuc Oțel sau cauciuc
Muchie de tăiere: Înălțimea 200.0mm / 180.0mm 7.87 in / 7.08 in
Muchie de tăiere: grosime 20.0mm / 55.0mm 0.79 in / 2.16 in
Muchie de tăiere: numărul de bucăți 3 3
Lama: distanța dintre șuruburile de fixare 175.0 mm 6.90 in
Lămpi dimensionale
Sănii laterale Roti Roti
Lățimea lamei (înclinată) 2600.0 mm 8.53 ft
Compatibilitatea MERLO MERLO
Furtunuri hidraulice 2x1600.0 mm / conexiuni 1.2" AGRI, WP-400 bar 2 x 5.25 ft / connections 1.2" AGRI, WP 400 bar
Lățimea lamei 3000.0 mm 9.84 ft
Grosimea lamei 4.0 mm 0.15 in
ø piston / i 73.0/36.0 mm 2.87/1.41 in
Mărimea ambalajului pentru expediere 3000*1000*1000 mm 9.84*3.28*3.28 ft

Fișe tehnice

DETALII
CARACTERISTICI
Fișe tehnice

DETALII

ÎNCHIDE

Lamă deszăpezire omologată DELEKS de 3.0m / 510kg, cu atac specific pentru MERLO - 3 sectoare independente - orientare hidraulică


APLICARE

Lamă de deszăpezire SSH-04-3.0-MERLO aprobată cu atacul pentru Merlo. Sau oferim o placă netedă, pentru personalizarea ulterioară. 2 tuburi hidraulice de 1,6 m, 2 picioare de parcare, pereche de lămpi de degajare. Respectă directiva CE privind mașinile. Garanție 2 ani.

 

AVANTAJE

Sistem antisoc cu 6 amortizoare pentru funcționarea în condiții de siguranță maximă.

3 elemente independente de răzuire în fier (sau cauciuc).

Orientare hidraulică compusă din 2 pistoane hidraulice.

Sistem de oscilație laterală care permite o aderență perfectă la suprafața drumului.

Extreme simplitate de asamblare și utilizare.

Cuplu roți reglabile  facilitează lucrul, reducând presiunea pe muchia de tăiere, în special pe suprafețele mobile cum ar fi parcarea cu pietriș.

Atacul este detașabil și înlocuibil cu o placă netedă 1200 * 600,0 mm sau atac cu 3 puncte de prindere, sau EURO.

Aprobată pentru utilizarea pe șosea.

 

CARACTERISTICI

ÎNCHIDE
Caracteristici Unità metrici Unità US
Greutatea 500.0 kg 1125.0 lb
Înălțime totală 880.0 mm 2.90 ft
Adâncime totală 900.0 mm 2.95 ft
Dimensiuni atac Vedeți imagini See pictures
Presiunea de descărcare min./max 110 - 150 bar 110 - 150 bar
Flux optim de ulei 18 - 22 l/min 18 - 22 l/min
Atac MERLO MERLO
înclinare 25° 25°
Fluctuație */- 4° */- 4°
Înălțimea lamei 880.0 mm 2.90 ft
Grosimea armăturilor laterale 7.0 mm 0.28 in
Amortizoarele 6 6
Muchie de tăiere Oțel sau cauciuc Oțel sau cauciuc
Muchie de tăiere: Înălțimea 200.0mm / 180.0mm 7.87 in / 7.08 in
Muchie de tăiere: grosime 20.0mm / 55.0mm 0.79 in / 2.16 in
Muchie de tăiere: numărul de bucăți 3 3
Lama: distanța dintre șuruburile de fixare 175.0 mm 6.90 in
Lămpi dimensionale
Sănii laterale Roti Roti
Lățimea lamei (înclinată) 2600.0 mm 8.53 ft
Compatibilitatea MERLO MERLO
Furtunuri hidraulice 2x1600.0 mm / conexiuni 1.2" AGRI, WP-400 bar 2 x 5.25 ft / connections 1.2" AGRI, WP 400 bar
Lățimea lamei 3000.0 mm 9.84 ft
Grosimea lamei 4.0 mm 0.15 in
ø piston / i 73.0/36.0 mm 2.87/1.41 in
Mărimea ambalajului pentru expediere 3000*1000*1000 mm 9.84*3.28*3.28 ft

Fișe tehnice

ÎNCHIDE

Opțional

2 amortizoare lame de zăpadă SSH-04 / HLV-315
Preț special opțional -20,70 207,00TVA inclus 186,30TVA inclus
Disponibil

SSH-04/LNV-315

Lama din cauciuc de rezervă SSH-04-3.0
Preț special opțional -42,20 422,00TVA inclus 379,80TVA inclus
Disponibil

SSH-04-3.0

Lama din oțel de rezervă SSH-04 3.0
Preț special opțional -51,70 517,00TVA inclus 465,30TVA inclus
Disponibil

SSH-04 3.0 HARDOX

Lumini de marcare de schimb SSH/LNV-315
Preț special opțional -11,90 119,00TVA inclus 107,10TVA inclus
Disponibil

SSH/LNV-315

Roată de rezervă SSH / LNV-315
Preț special opțional -16,10 161,00TVA inclus 144,90TVA inclus
Disponibil

SSH/LNV-315

Suport roata de schimb SSH / HLV-315 părțiSSH/LNV-315
Preț special opțional -5,70 57,00TVA inclus 51,30TVA inclus
Disponibil

SSH/LNV-315

2 amortizoare lame de zăpadă SSH-04 / HLV-315
Preț special opțional -20,70 207,00TVA inclus 186,30TVA inclus
Disponibil

SSH-04/LNV-315

Lama din cauciuc de rezervă SSH-04-3.0
Preț special opțional -42,20 422,00TVA inclus 379,80TVA inclus
Disponibil

SSH-04-3.0

Lama din oțel de rezervă SSH-04 3.0
Preț special opțional -51,70 517,00TVA inclus 465,30TVA inclus
Disponibil

SSH-04 3.0 HARDOX

Lumini de marcare de schimb SSH/LNV-315
Preț special opțional -11,90 119,00TVA inclus 107,10TVA inclus
Disponibil

SSH/LNV-315

Roată de rezervă SSH / LNV-315
Preț special opțional -16,10 161,00TVA inclus 144,90TVA inclus
Disponibil

SSH/LNV-315

Suport roata de schimb SSH / HLV-315 părțiSSH/LNV-315
Preț special opțional -5,70 57,00TVA inclus 51,30TVA inclus
Disponibil

SSH/LNV-315

Recenzii

Ce spun clienții noștri despre noi