This page needs JavaScript activated to work. Grappin coupeur hydraulique avec rotateur 360° continue, pour mini-pelle - 100% HARDOX
Livraison gratuite dans 24 pays européens

Horaires d'ouverture : 09h00–16h30. Livraison gratuite au sein de l’UE avec expédition standard. Livraison estimée sous 20 à 25 jours après confirmation de la commande – avis téléphonique au moment de l’expédition.

Chuck Norris t'offre 5%de PROMOsur le deuxième produit REGARDER LES DETAILS

Loading...

Grappin coupeur hydraulique avec rotateur 360° continue, pour mini-pelle - 100% HARDOX

4.6

1323 avis

Disponible
COD. CF10R
EAN 8053470236105
Regarder les détails.
TOTAL
2.101,00TTC
Livraison gratuite!
DEMANDER PLUS D'INFORMATION

DETAILS

Cisaille d'abattage hydraulique DELEKS® et grappin – Fabriqué en Italie - 100% Hardox, lame en acier trempé, avec Rotateur, pour la coupe et la manutention de grumes et d'arbres jusqu'à ø 10 cm.


UTILISATION

Le CF-10R est idéal pour l'abattage et le ramassage du bois à usage énergétique, pour le défrichage des champs et des bords de route.

Le grappin coupeur pour mini-pelle DELEKS® CF-10R peut couper des arbres ou grouper du bois plus minces avec la tête d'abattage. La tête d'abattage a une lame durcie puissante qui coupera proprement et en toute sécurité le bois.

Disponible avec des accouplements de pelle (sur demande).

Le rotateur Lombarda Ingranaggi GR30FF est puissant, fiable et robuste. Il est conçu pour lever une charge de 3000kg avec un maximum d´efficacité et en minimisant les temps d´arrêt.

Diagramme de charge pour rotateur GR30FF: voir dessin D (Charge - Load | Levier de force L - Lever arm of force L)


CARACTÉRISTIQUES ET AVANTAGES

Fabriqué à 100% en HARDOX pour une résistance maximale à la torsion.

Lame fabriquée en Italie en acier trempé 43 HRC.

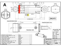
Vérin hydraulique spécialement conçu pour cet usage avec fond renforcé pour fortes charges (voir dessin A).

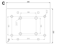
Goupilles en matériau spécial 42CrMo4 de ø30 et ø35 mm (voir dessin B).

CF-10R est le plus petit grappin coupeur de la gamme, et sa légèreté permet à la mini-pelle de maintenir sa capacité.

Coupe au niveau du sol, permet d'accéder aux souches: le grappin DELEKS CF-10R coupe le bois à récolter proprement et avec précision au point désiré du niveau du sol, et ses caractéristiques techniques garantissent que les souches soint coupées au niveau du sol.

2 en 1 coupe et ramasse: si nécessaire, la lame de coupe peut être retirée, dans ce cas la tête d'abattage agit comme un grappin à bois.

Il est simple à attacher et à utiliser.



 

CARACTERISTIQUES

Caractéristiques Unité métrique Unité US
Poid 72.0 kg 115.0 lb
Diamètre de coupe du tronc 90-120 mm 3.55-4.72 in
Pression optimale min/max d'huile 150 - 210 bar 150 - 210 bar
Flux optimale d'huile 08/22 l/m 08/22 l/m
Flexibles hydrauliques 400 bar pression 400 bar pressure
Ouverture maximale 540.0 mm 21.26 in
ø vérin hydraulique 80.0 - 35.0 mm 3.15 - 1.38 in
Gamme de pelles 1.0 - 2.0 ton 1.0 - 2.0 ton
Dimensions de la marchandise pour envoi 600.0*800.0*450.0 mm 1.97*2.62*1.47 ft
DETAILS
CARACTERISTIQUES

DETAILS

FERMER

Cisaille d'abattage hydraulique DELEKS® et grappin – Fabriqué en Italie - 100% Hardox, lame en acier trempé, avec Rotateur, pour la coupe et la manutention de grumes et d'arbres jusqu'à ø 10 cm.


UTILISATION

Le CF-10R est idéal pour l'abattage et le ramassage du bois à usage énergétique, pour le défrichage des champs et des bords de route.

Le grappin coupeur pour mini-pelle DELEKS® CF-10R peut couper des arbres ou grouper du bois plus minces avec la tête d'abattage. La tête d'abattage a une lame durcie puissante qui coupera proprement et en toute sécurité le bois.

Disponible avec des accouplements de pelle (sur demande).

Le rotateur Lombarda Ingranaggi GR30FF est puissant, fiable et robuste. Il est conçu pour lever une charge de 3000kg avec un maximum d´efficacité et en minimisant les temps d´arrêt.

Diagramme de charge pour rotateur GR30FF: voir dessin D (Charge - Load | Levier de force L - Lever arm of force L)


CARACTÉRISTIQUES ET AVANTAGES

Fabriqué à 100% en HARDOX pour une résistance maximale à la torsion.

Lame fabriquée en Italie en acier trempé 43 HRC.

Vérin hydraulique spécialement conçu pour cet usage avec fond renforcé pour fortes charges (voir dessin A).

Goupilles en matériau spécial 42CrMo4 de ø30 et ø35 mm (voir dessin B).

CF-10R est le plus petit grappin coupeur de la gamme, et sa légèreté permet à la mini-pelle de maintenir sa capacité.

Coupe au niveau du sol, permet d'accéder aux souches: le grappin DELEKS CF-10R coupe le bois à récolter proprement et avec précision au point désiré du niveau du sol, et ses caractéristiques techniques garantissent que les souches soint coupées au niveau du sol.

2 en 1 coupe et ramasse: si nécessaire, la lame de coupe peut être retirée, dans ce cas la tête d'abattage agit comme un grappin à bois.

Il est simple à attacher et à utiliser.



 

CARACTERISTIQUES

FERMER
Caractéristiques Unité métrique Unité US
Poid 72.0 kg 115.0 lb
Diamètre de coupe du tronc 90-120 mm 3.55-4.72 in
Pression optimale min/max d'huile 150 - 210 bar 150 - 210 bar
Flux optimale d'huile 08/22 l/m 08/22 l/m
Flexibles hydrauliques 400 bar pression 400 bar pressure
Ouverture maximale 540.0 mm 21.26 in
ø vérin hydraulique 80.0 - 35.0 mm 3.15 - 1.38 in
Gamme de pelles 1.0 - 2.0 ton 1.0 - 2.0 ton
Dimensions de la marchandise pour envoi 600.0*800.0*450.0 mm 1.97*2.62*1.47 ft

Avis

Ce que disent nos clients à notre sujet