DELEKS S.r.l.
Via Industriale, 23
25028 Verolanuova (BS) Italy
Tel. 030 6585725
Mail info@deleks.com
Lun - Ven: 9.00-13.00 / 14.00-18.00
Бревнозахват для рубки леса гидравлический для Мини-Экскаватора / Грейфер - 100% HARDOX
ДЕТАЛИ
Бревнозахват + Ножницы гидравлические валочные DELEKS® - итальянское производство - 100% Hardox, полотно из закаленной стали, для резки и перемещения бревен и деревьев диаметром до 10 см.
ОПИСАНИЕ
CF-10 идеально подходит для заготовки низкосортной и энергетической древесины, для расчистки полей и обочин.
Гидравлические ножницы DELEKS®CF-10 для мини экскаватора могут резать деревья или собирать в пучки более тонкие деревца не снимая лезвия для резки. Грейфер имеет мощное закаленное лезвие, которое аккуратно и безопасно режет древесину.
Доступно с креплениями для экскаваторов (по запросу).
Ножницы доступны в фиксированной версии или с полным вращением на 360 градусов с помощью гидравлического ротатора для обрезки ветвей или резки упавшей древесины.
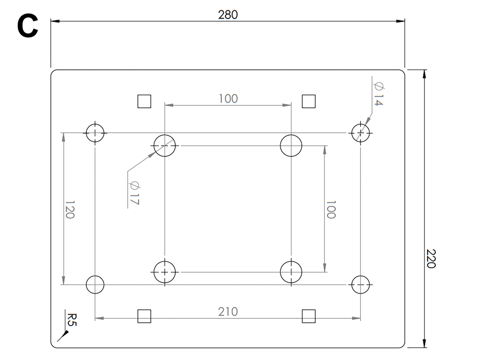
Размеры крепления пластины: Смотрите рисунок С.
ПРЕИМУЩЕСТВА И ОСОБЕННОСТИ
Изготовлен из 100% HARDOX для максимальной устойчивости к скручиванию.
Нож Сделано в Италии,закаленный 43 HRC.
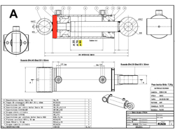
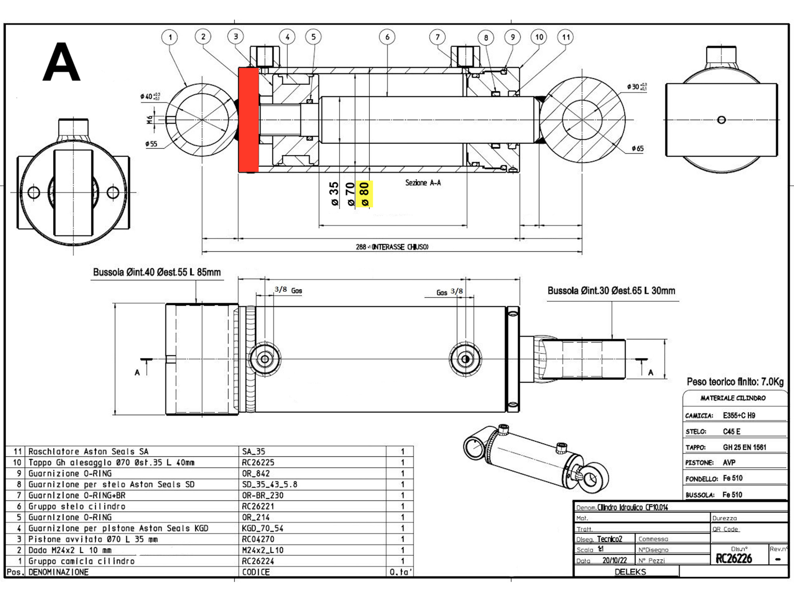
Гидравлический цилиндр, специально разработанный для этого использования, с усиленным дном для высоких нагрузок (Смотрите рисунок. A).
Штифты из специального материала 42CrMo4 диаметром 42CrMo4 da ø30 e ø35 (Смотрите рисунок. B).
Его просто прикрепить и использовать.
CF-10 это самые маленькие ножницы в своей линейке, а их небольшой вес позволяет мини-экскаватору сохранять свою грузоподъемность.
Резка на уровне земли> низкий пень: DELEKS® CF-10 режет древесину для заготовки аккуратно и точно в нужной точке от уровня земли, а его технические характеристики гарантируют, что пни будут срезаться низко, на уровне земли.
2-в-1: резка и загрузка: При необходимости режущее полотно можно снять, и в этом случае ножницы для дерева действуют как захват для дерева.
ХАРАКТЕРИСТИКИ
| Особенность | Unitàметрики | Unità US |
|---|---|---|
| Вес | 52.0 кг | 115.0 lb |
| Диаметр резки ствола | 90-120 мм | 3.55-4.72 in |
| Давление разгрузки мин. / макс. | 150 - 210 бар | 150 - 210 бар |
| Мин./Макс поток масла | 08/22 l/m | 08/22 l/m |
| Максимальное раскрытие | 540.0 мм | 21.26 in |
| Диаметр гидроцилиндра | 80.0 - 35.0 мм | 3.15 - 1.38 in |
| Диапазон компактных эскаваторов | 1.0 - 2.0 тонн | 1.0 - 2.0 ton |
| Упаковачный размер | 600.0*800.0*450.0 мм | 1.97*2.62*1.47 ft |
ДЕТАЛИ
ЗАКРЫТЬБревнозахват + Ножницы гидравлические валочные DELEKS® - итальянское производство - 100% Hardox, полотно из закаленной стали, для резки и перемещения бревен и деревьев диаметром до 10 см.
ОПИСАНИЕ
CF-10 идеально подходит для заготовки низкосортной и энергетической древесины, для расчистки полей и обочин.
Гидравлические ножницы DELEKS®CF-10 для мини экскаватора могут резать деревья или собирать в пучки более тонкие деревца не снимая лезвия для резки. Грейфер имеет мощное закаленное лезвие, которое аккуратно и безопасно режет древесину.
Доступно с креплениями для экскаваторов (по запросу).
Ножницы доступны в фиксированной версии или с полным вращением на 360 градусов с помощью гидравлического ротатора для обрезки ветвей или резки упавшей древесины.
Размеры крепления пластины: Смотрите рисунок С.
ПРЕИМУЩЕСТВА И ОСОБЕННОСТИ
Изготовлен из 100% HARDOX для максимальной устойчивости к скручиванию.
Нож Сделано в Италии,закаленный 43 HRC.
Гидравлический цилиндр, специально разработанный для этого использования, с усиленным дном для высоких нагрузок (Смотрите рисунок. A).
Штифты из специального материала 42CrMo4 диаметром 42CrMo4 da ø30 e ø35 (Смотрите рисунок. B).
Его просто прикрепить и использовать.
CF-10 это самые маленькие ножницы в своей линейке, а их небольшой вес позволяет мини-экскаватору сохранять свою грузоподъемность.
Резка на уровне земли> низкий пень: DELEKS® CF-10 режет древесину для заготовки аккуратно и точно в нужной точке от уровня земли, а его технические характеристики гарантируют, что пни будут срезаться низко, на уровне земли.
2-в-1: резка и загрузка: При необходимости режущее полотно можно снять, и в этом случае ножницы для дерева действуют как захват для дерева.
ХАРАКТЕРИСТИКИ
ЗАКРЫТЬ| Особенность | Unitàметрики | Unità US |
|---|---|---|
| Вес | 52.0 кг | 115.0 lb |
| Диаметр резки ствола | 90-120 мм | 3.55-4.72 in |
| Давление разгрузки мин. / макс. | 150 - 210 бар | 150 - 210 бар |
| Мин./Макс поток масла | 08/22 l/m | 08/22 l/m |
| Максимальное раскрытие | 540.0 мм | 21.26 in |
| Диаметр гидроцилиндра | 80.0 - 35.0 мм | 3.15 - 1.38 in |
| Диапазон компактных эскаваторов | 1.0 - 2.0 тонн | 1.0 - 2.0 ton |
| Упаковачный размер | 600.0*800.0*450.0 мм | 1.97*2.62*1.47 ft |
Français
Deutsch
Română
English
