DELEKS S.r.l.
Via Industriale, 23
25028 Verolanuova (BS) Italy
Tel. 030 6585725
Mail info@deleks.com
Lun - Ven: 9.00-13.00 / 14.00-18.00
Graifer forestier hidraulic cu lamă de tăiere atașată pentru Mini Excavator / Clește - 100% HARDOX
DETALII
Graifer + Foarfecă hidraulică doborat copaci DELEKS® - Producția italiană - 100% Hardox, lamă din oțel călit, pentru tăierea și manipularea buștenilor și a copacilor până la ø 10 cm.
APLICARE
CF-10 este ideal pentru recoltarea lemnului de calitate inferioară și a lemnului energetic, pentru curățarea câmpurilor și a marginilor drumurilor.
Graifer hidraulic DELEKS® CF-10 pentru mini excavator este capabil să taie copaci sau să împacheteze lemn mai subțire împreună cu lamă de tăiere. Foarfeca are o lamă puternică, întărită, care va tăia lemnul curat și în siguranță.
Disponibil cu cuplaje pentru excavator (la cerere).
Forfecarea este disponibilă ca rotire de 360 de grade prin rotator sau fixă completă hidraulic pentru a demola copacii sau tăia lemnul căzut.
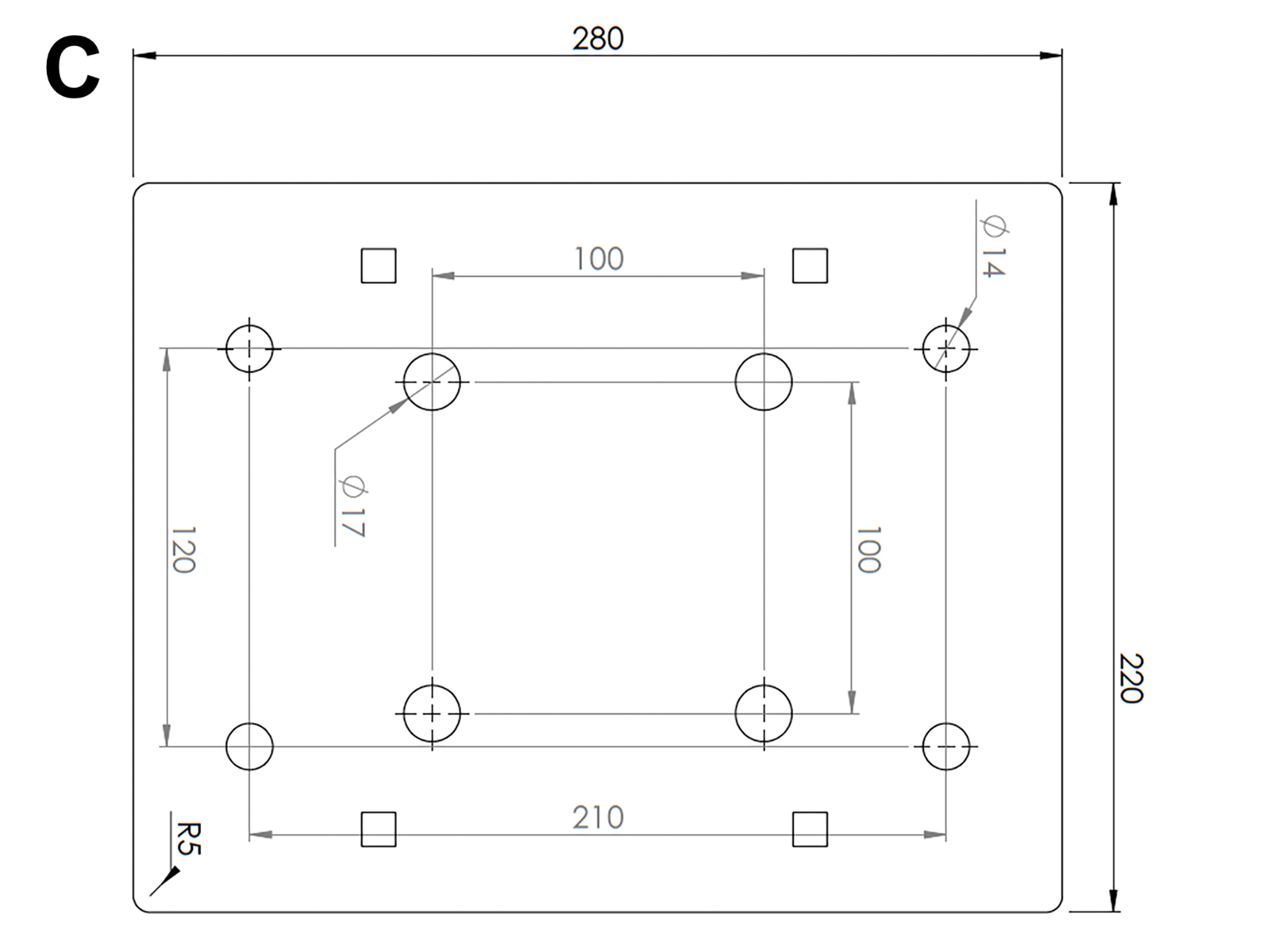
Dimensiuni atașării plăcii: Vezi desenul C.
AVANTAJE
Realizat din 100% HARDOX pentru rezistență maximă la torsiune.
Cuțit fabricat în Italia întărit 43 HRC.
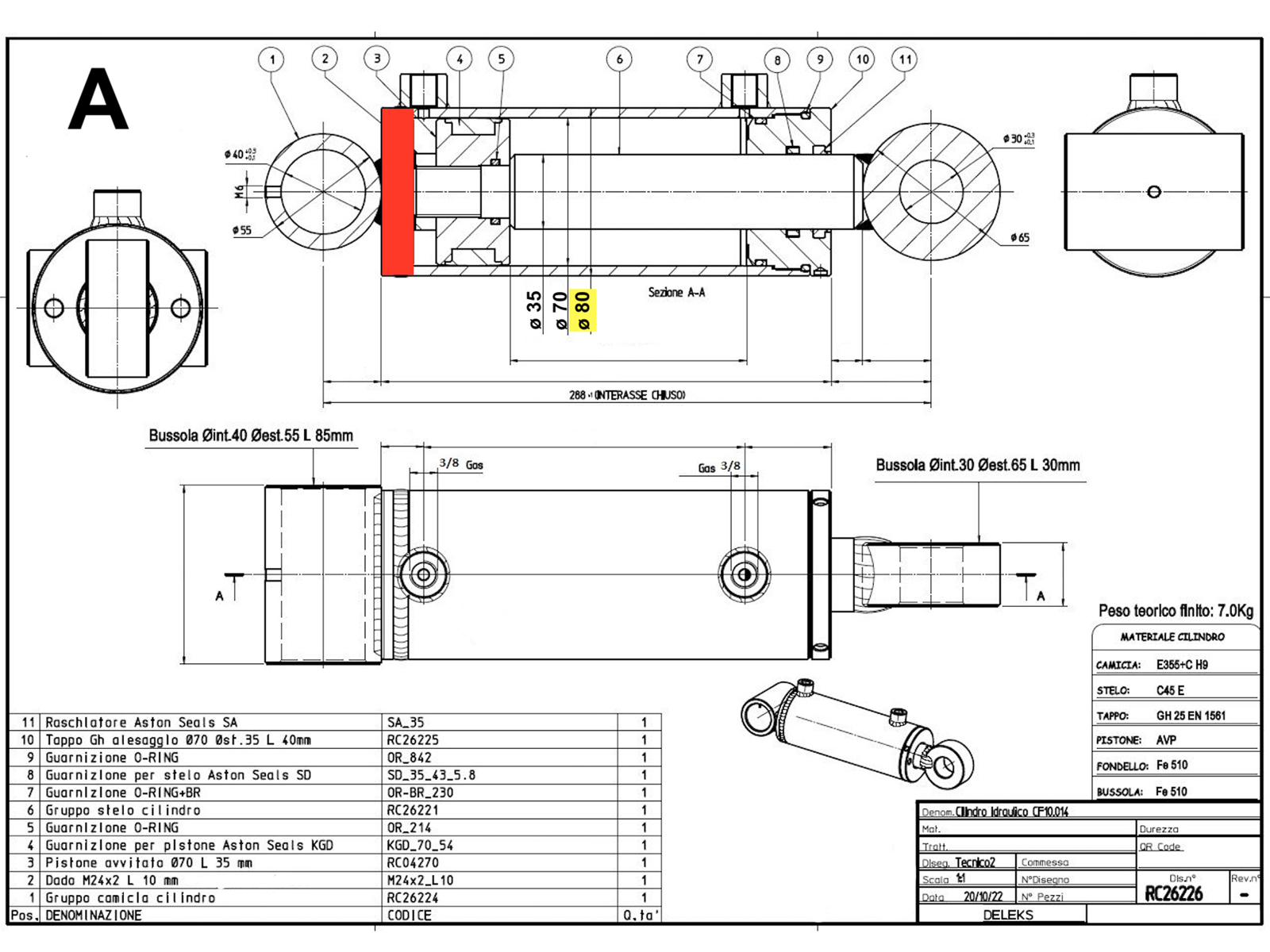
Cilindru hidraulic special conceput pentru această utilizare cu fund ranforsat pentru sarcini mari (vezi desenul A).
Știfturi din material special 42CrMo4 de ø30 și ø35 mm (vezi desenul B).
Este simplu de atașat și de utilizat.
CF-10 este cea mai mică foarfecă din gamă, iar greutatea sa ușoară permite mini excavatorului să își mențină capacitatea.
Tăierea la nivelul solului > ciot mic: DELEKS® CF-10 taie lemnul care urmează să fie recoltat cu grijă și cu precizie la punctul dorit de la nivelul solului, iar caracteristicile sale tehnice asigură tăierea butucilor la nivelul solului.
2-în-1: tăiere și încărcare: Dacă este necesar, lama de tăiere poate fi îndepărtată, în acest caz foarfecă pentru arbusti acționează ca un graifer.
CARACTERISTICI
| Caracteristici | Unità metrici |
|---|---|
| Greutatea | 52.0 kg |
| Diametrul tăierii al trunchiului | 90-120 mm |
| Presiunea de descărcare min./max | 150 - 210 bar |
| Flux optim de ulei | 08/22 l/m |
| Deschiderea maximă | 540.0 mm |
| ø cilindru hidraulic | 80.0 - 35.0 mm |
| Gama Excavatoare Compacte | 1.0 - 2.0 tone |
| Mărimea ambalajului pentru expediere | 600.0*800.0*450.0 mm |
DETALII
ÎNCHIDEGraifer + Foarfecă hidraulică doborat copaci DELEKS® - Producția italiană - 100% Hardox, lamă din oțel călit, pentru tăierea și manipularea buștenilor și a copacilor până la ø 10 cm.
APLICARE
CF-10 este ideal pentru recoltarea lemnului de calitate inferioară și a lemnului energetic, pentru curățarea câmpurilor și a marginilor drumurilor.
Graifer hidraulic DELEKS® CF-10 pentru mini excavator este capabil să taie copaci sau să împacheteze lemn mai subțire împreună cu lamă de tăiere. Foarfeca are o lamă puternică, întărită, care va tăia lemnul curat și în siguranță.
Disponibil cu cuplaje pentru excavator (la cerere).
Forfecarea este disponibilă ca rotire de 360 de grade prin rotator sau fixă completă hidraulic pentru a demola copacii sau tăia lemnul căzut.
Dimensiuni atașării plăcii: Vezi desenul C.
AVANTAJE
Realizat din 100% HARDOX pentru rezistență maximă la torsiune.
Cuțit fabricat în Italia întărit 43 HRC.
Cilindru hidraulic special conceput pentru această utilizare cu fund ranforsat pentru sarcini mari (vezi desenul A).
Știfturi din material special 42CrMo4 de ø30 și ø35 mm (vezi desenul B).
Este simplu de atașat și de utilizat.
CF-10 este cea mai mică foarfecă din gamă, iar greutatea sa ușoară permite mini excavatorului să își mențină capacitatea.
Tăierea la nivelul solului > ciot mic: DELEKS® CF-10 taie lemnul care urmează să fie recoltat cu grijă și cu precizie la punctul dorit de la nivelul solului, iar caracteristicile sale tehnice asigură tăierea butucilor la nivelul solului.
2-în-1: tăiere și încărcare: Dacă este necesar, lama de tăiere poate fi îndepărtată, în acest caz foarfecă pentru arbusti acționează ca un graifer.
CARACTERISTICI
ÎNCHIDE| Caracteristici | Unità metrici |
|---|---|
| Greutatea | 52.0 kg |
| Diametrul tăierii al trunchiului | 90-120 mm |
| Presiunea de descărcare min./max | 150 - 210 bar |
| Flux optim de ulei | 08/22 l/m |
| Deschiderea maximă | 540.0 mm |
| ø cilindru hidraulic | 80.0 - 35.0 mm |
| Gama Excavatoare Compacte | 1.0 - 2.0 tone |
| Mărimea ambalajului pentru expediere | 600.0*800.0*450.0 mm |
Français
Deutsch
English
Русский
