This page needs JavaScript activated to work. Бревнозахват для рубки леса гидравлический с фланцевым ротором для Мини-Экскаватора / Грейфер - 100% HARDOX
Бесплатная доставка в более чем 24 европейских странах

Часы работы: с 09:00 до 16:30. Бесплатная доставка по странам ЕС стандартной службой доставки. Примерный срок доставки — 20–25 дней после подтверждения заказа. Уведомление по телефону при отправке.

Chuck Norris дарит вам 5%СКИДКАсо второго товара СМОТРЕТЬ ДЕТАЛИ

Loading...

Бревнозахват для рубки леса гидравлический с фланцевым ротором для Мини-Экскаватора / Грейфер - 100% HARDOX

4.6

1323 отзывы

Доступно
КОД. CF10R
EAN 8053470236105
Посмотреть все подробности.
ВСЕГО
2.101,00НДС включен
ДОСТАВКА: БЕСПЛАТНАЯ В ЕС
ЗАПРОСИТЬ БОЛЬШЕ ИНФОРМАЦИИ

ДЕТАЛИ

DELEKS®CF-10 Бревнозахват с Ротором Lombarda Ingranaggi GR30FF фланцевым, итальянское производство, 100% Hardox, полотно из закаленной стали, для резки и перемещения бревен и деревьев диаметром до 10 см.

 

ОПИСАНИЕ 

CF-10 идеально подходит для заготовки низкосортной и энергетической древесины, для расчистки полей и обочин.

Гидравлические ножницы DELEKS®CF-10 для мини экскаватора  могут резать деревья или собирать в пучки более тонкие деревца не снимая лезвия для резки. Грейфер имеет мощное закаленное лезвие, которое аккуратно и безопасно режет древесину.

Доступно с креплениями для экскаваторов (по запросу). 

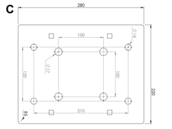
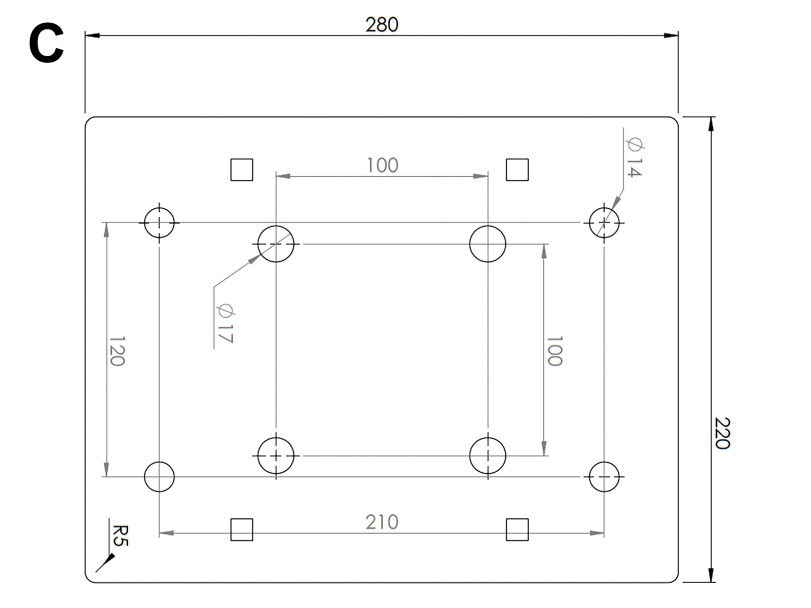
Размеры крепления пластины: Смотрите рисунок С.

Диаграмма нагрузки ротора GR30FF: Смотрите рисунок D (Нагрузка - Load | Рычаг нагрузки L - lever arm of force L)


  

ПРЕИМУЩЕСТВА И ОСОБЕННОСТИ

Изготовлен из 100% HARDOX для максимальной устойчивости к скручиванию.

Нож Сделано в Италии,закаленный 43 HRC.

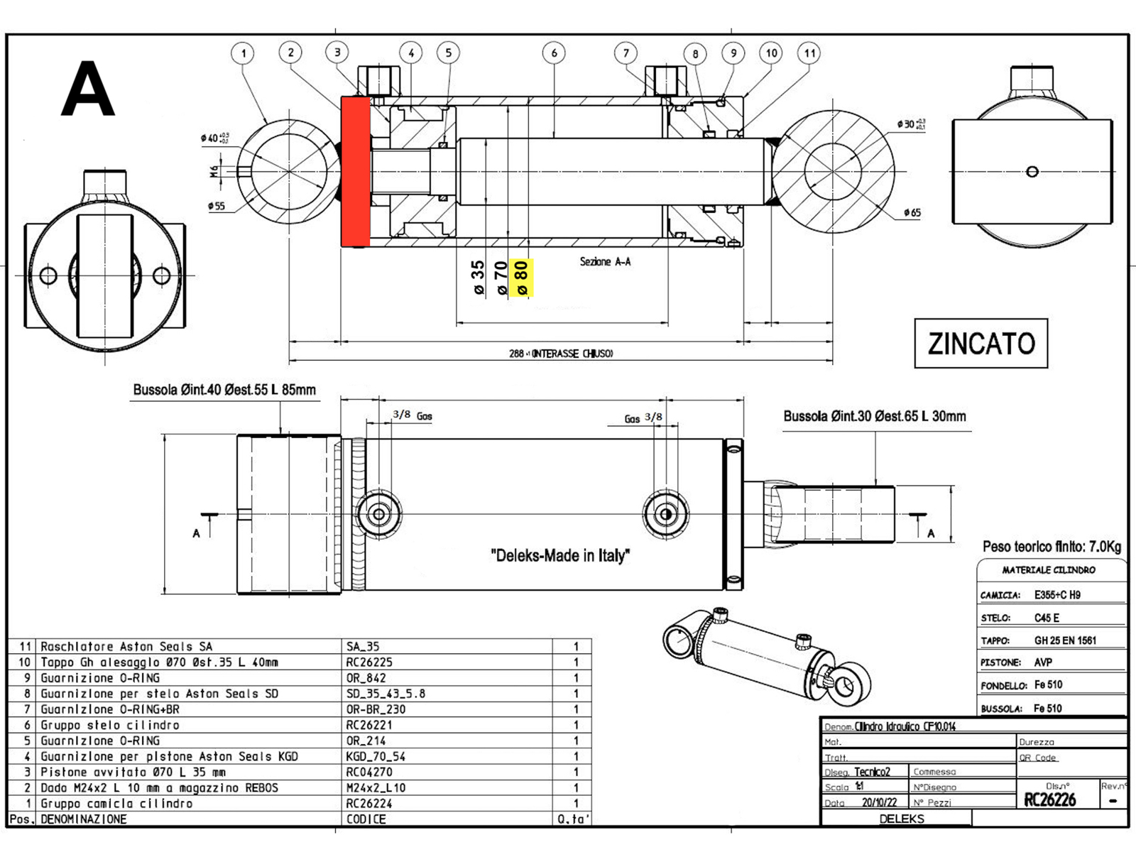
Гидравлический цилиндр, специально разработанный для этого использования, с усиленным дном для высоких нагрузок (Смотрите рисунок. A).

      Штифты из специального материала 42CrMo4 диаметром 42CrMo4 da ø30 e ø35  (Смотрите  рисунок. B).

Его просто прикрепить и использовать.

CF-10 это самые маленькие ножницы в своей линейке, а их небольшой вес позволяет мини-экскаватору сохранять свою грузоподъемность.

Резка на уровне земли> низкий пень: DELEKS® CF-10 режет древесину для заготовки аккуратно и точно в нужной точке от уровня земли, а его технические характеристики гарантируют, что пни будут срезаться низко, на уровне земли.

2-в-1: резка и загрузка: При необходимости режущее полотно можно снять, и в этом случае ножницы для дерева действуют как захват для дерева.



ХАРАКТЕРИСТИКИ

Особенность Unitàметрики Unità US
Вес 72.0 кг 160.0 lb
Диаметр резки ствола 90-120 мм 3.55-4.72 in
Давление разгрузки мин. / макс. 150 - 210 бар 150 - 210 бар
Мин./Макс поток масла 08/22 l/m 08/22 l/m
Гидравлические шланги Давление 400 бар 400 bar pressure
Максимальное раскрытие 540.0 мм 21.26 in
Диаметр гидроцилиндра 80.0 - 35.0 мм 3.15 - 1.38 in
Диапазон компактных эскаваторов 1.0 - 2.0 тонн 1.0 - 2.0 ton
Упаковачный размер 600.0*800.0*450.0 мм 1.97*2.62*1.47 ft
ДЕТАЛИ
ХАРАКТЕРИСТИКИ

ДЕТАЛИ

ЗАКРЫТЬ

DELEKS®CF-10 Бревнозахват с Ротором Lombarda Ingranaggi GR30FF фланцевым, итальянское производство, 100% Hardox, полотно из закаленной стали, для резки и перемещения бревен и деревьев диаметром до 10 см.

 

ОПИСАНИЕ 

CF-10 идеально подходит для заготовки низкосортной и энергетической древесины, для расчистки полей и обочин.

Гидравлические ножницы DELEKS®CF-10 для мини экскаватора  могут резать деревья или собирать в пучки более тонкие деревца не снимая лезвия для резки. Грейфер имеет мощное закаленное лезвие, которое аккуратно и безопасно режет древесину.

Доступно с креплениями для экскаваторов (по запросу). 

Размеры крепления пластины: Смотрите рисунок С.

Диаграмма нагрузки ротора GR30FF: Смотрите рисунок D (Нагрузка - Load | Рычаг нагрузки L - lever arm of force L)


  

ПРЕИМУЩЕСТВА И ОСОБЕННОСТИ

Изготовлен из 100% HARDOX для максимальной устойчивости к скручиванию.

Нож Сделано в Италии,закаленный 43 HRC.

Гидравлический цилиндр, специально разработанный для этого использования, с усиленным дном для высоких нагрузок (Смотрите рисунок. A).

      Штифты из специального материала 42CrMo4 диаметром 42CrMo4 da ø30 e ø35  (Смотрите  рисунок. B).

Его просто прикрепить и использовать.

CF-10 это самые маленькие ножницы в своей линейке, а их небольшой вес позволяет мини-экскаватору сохранять свою грузоподъемность.

Резка на уровне земли> низкий пень: DELEKS® CF-10 режет древесину для заготовки аккуратно и точно в нужной точке от уровня земли, а его технические характеристики гарантируют, что пни будут срезаться низко, на уровне земли.

2-в-1: резка и загрузка: При необходимости режущее полотно можно снять, и в этом случае ножницы для дерева действуют как захват для дерева.



ХАРАКТЕРИСТИКИ

ЗАКРЫТЬ
Особенность Unitàметрики Unità US
Вес 72.0 кг 160.0 lb
Диаметр резки ствола 90-120 мм 3.55-4.72 in
Давление разгрузки мин. / макс. 150 - 210 бар 150 - 210 бар
Мин./Макс поток масла 08/22 l/m 08/22 l/m
Гидравлические шланги Давление 400 бар 400 bar pressure
Максимальное раскрытие 540.0 мм 21.26 in
Диаметр гидроцилиндра 80.0 - 35.0 мм 3.15 - 1.38 in
Диапазон компактных эскаваторов 1.0 - 2.0 тонн 1.0 - 2.0 ton
Упаковачный размер 600.0*800.0*450.0 мм 1.97*2.62*1.47 ft

отзывы

Что говорят о нас наши клиенты